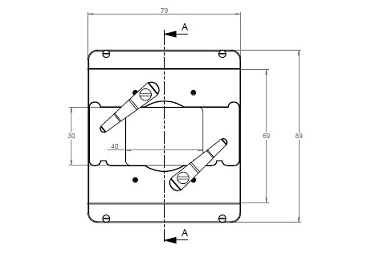
P-542.SH1
Microscope Slide Holder for P-54x Nanopositioning Systems
Sample Stages and Holders for Inverted Microscopes
Ask for a free quote on quantities required, prices, and lead times or describe your desired modification.
Ask about custom designs!