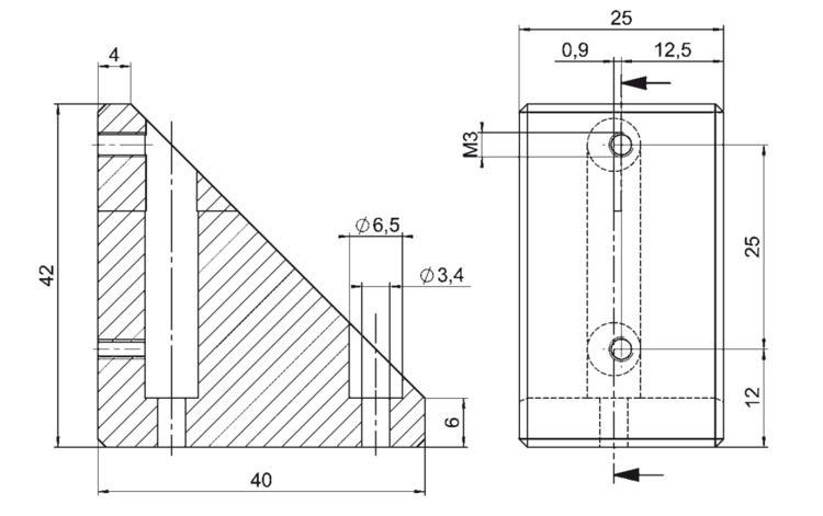
M-122.AP1 Mounting Bracket

For Vertical Mount of M-122 on M-110, M-111, M-112 and M-122 Stages

M-122.AP1 Mounting Bracket
Product Description Downloads Quote / Order

Downloads

Datasheet

Datasheet

Datasheet M-122.AP1

Version / Date
2015-04-13
pdf - 701 KB
Version / Date
2015-04-13
pdf - 700 KB

Quote / Order

Ask for a free quote on quantities required, prices, and lead times or describe your desired modification.

How to Get a Quote

Click on QUOTE / ORDER
Add variant to quote list
Fill out quote form
Send price request to PI
We will contact you shortly

Ask an engineer!

Quickly receive an answer to your question by email or phone from a local PI sales engineer.

Compatible Products