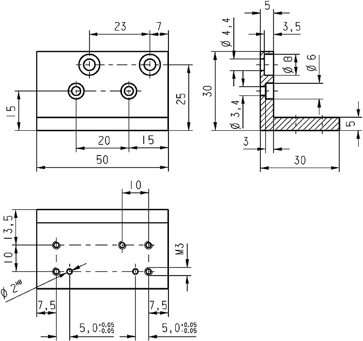
M-009.20 Adapter Bracket for P-280 Piezo Stages or F-010 Fiber Holders on M-105 / M-106 Add to quote list Remove from quote list